
EATON VICKERS DGMFN Flowkontrollventiler DGMFN-5 DGMFN-5N DGMFN-5P
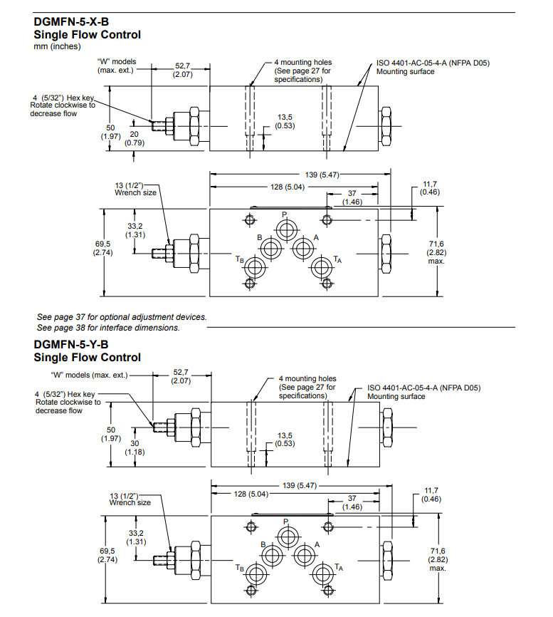
Disse ventilene er justerbare, ikke-kompenserte strømningsbegrensere. En integrert tilbakeslagsventil rundt reguleringsåpningen tillater fri strømning i én retning og målt strømning i den andre. Kontroll er kun tilgjengelig i "A" bare, "B" og "A" og "B" porter som en "X" type (meter– inn) eller "Y"-type (meter-ut). "P"-porten er kun tilgjengelig i "X"-typen (meter-inn) og inneholder ikke omvendt strømningskontroll.

Vi leverer toppprodusentkomponenter som Bosch Rexroth, Rexroth
Indramat, Parker Hannifin, Moog, Eaton Vickers, Denison, Hawe, Sunfab, Yuken, Hydac, Kawasaki/KPM, Staffa, Voith, Sauer Danfoss, Hydro Leduc, Calzoni, Atos, Bucher, Oilgear, Tokyo Keiki, Schneider KREUZNACH, Linde, Marzocchi, Eckerle, HBM, Siemens, Schneider Electronic, Sick, Baumer, Herion, Norgren, Aventics .....
Spør oss gjerne hvis du er interessert i salget vårt. BAILE HYDRAULIC er din fine
partner i ressurs for hydraulikk og elektronikk. Mer detaljer, vennligst besøk oss
R
| EATON VICKERS DGMFN Flowkontrollventiler |





|
|
DG4V-3-0AMUA6-60 DG4V.3-0AM-UED6-60 DG4V3-0AMUG7-60 DG4V3-0A-MU-H 7-60 DG4V-3-0B-MUA6-60 DG4V-30BMUED6-60 DG4V30B-MUG7-60 DG4V-30B-MU-H 7-60 DG4V30CMU-A6-60 DG4V-3-0CMUED6-60DG4V3-0CM-UG7-60 DG4V30CMU-H7-60 DG4V{{ 48}}AMUA6-60 DG4V-3-2AM-UED6-60 DG4V-3-2A-MU-G7-60 DG4V3-2A-MUH{{ 63}} DG4V-3-2B-MU-A6-60 DG4V-3-2BMU-ED6-60 DG4V-3-2B-MUG760 DG4V-3-2B- MUH760 DG4V3-2CMU-A6-60 DG4V-3-2CMUED6-60 DG4V-3-2CMUG7-60 DG4V3-2C-MU-H 7-60 DG4V3-2N-MUA6-60 DG4V3-2NM-UED6-60 DG4V3-2N-MUG760 DG4V3-2N- MU-H7-60 DG4V36CM-UA6-60 DG4V-3-6C-MUED6-60 DG4V3-6CM-UG7-60 DG4V-36 CMU-H7-60 DG4V3-8CVMUA6-61 DG4V3-8CVMUED6-61 DG4V3-8CVMUG7-61 DG4V-3-8 CVMUH761
DGMC-3-PT-BW-41DGMC-3-PT-CW-41 DGMC-3-PT-GW-41
DGMC-3-ATGW-41
DGMC2-3-AB-BWBABW-41 DGMC2-3-AB-CWBACW-41 DGMC2-3-AB-GWBA-GW-41
DGMC23-AT-CWBT-CW-4 DGMA-3-B-10
DGMA-3-C1-10
DGMA-3-C210
DGAM-3-01-10R
DGMDC3-YPK-41
DGMDC-3-XTK-4
DGMPC-3-ABK-41
DGMPC-3BAK-40
DGMPC-3-ABK-BAK-41
DGMFN-3-ZPTW-41
DGMFN-3-ZP2W-41
DGMFN-3-ZT1W-41
DGMFN-3-XA2W-41
DGMFN-3-X-AWB1W-41
DGMFN-3-X-A2WB2W-41
DGMFN-3-YATWB1W-41
DGMFN-3-YA2W-B2W-41
DGMX2-3-PA-BW-B-40DGMX2-3-PAFW-B-40
DGMX2-3-PB-CWB-40
DGMX2-3-PPAWB-40 DGMX2-3-PPBWB-40 DGMX2-3-PPCWB-40 DGMX2-3-PPFWB-40
DGMX2-3-PABW-B-40DGMX2-3-PAFW-B-40 DGMX2-3-PB-CWB-40 DGMX2-3-PPAWB{ {10}} DGMX2-3-PPBWB-40 DGMX2-3-PPCWB-40 DGMX2-3PPFWB-40
Populære tags: eaton vickers dgmfn strømningskontrollventiler dgmfn-5 dgmfn-5n dgmfn-5p









